Услуги
  • Постпродажный сервис
    • Проверка СИЗ от падения с высоты
    • Напоминание о проверке СИЗ
  • Системы безопасности
    • Реализация систем безопасности
    • Реализация систем эвакуации и спасения
    • Оценка рисков на предприятии
  • Учебные полигоны
    • Аренда учебно-тренировочного полигона
    • Проектирование и монтаж учебно-тренировочных полигонов
Проекты
  • Системы безопасности
    • Анкерная линия Delta Plus на ЗУИ ТОКК
    • Анкерная линия Vento на ЗМК
    • Анкерные линии Tractel для работы на оборудовании
    • Анкерные линии в Нижнем Тагиле
    • Анкерные линии в цехе обслуживания жд составов
    • Анкерные линии для работы на самолётах
    • Анкерные линии для работы промышленных альпинистов
    • Анкерные линии на кровле из солнечных батарей
    • Анкерные линии на станции налива
    • Анкерные линии на станции налива жд цистерн
    • Вертикальная система доступа и страховки
    • Жёсткая анкерная линия Двутавр на опорах
    • Жёсткая анкерная линия для промышленных альпинистов
    • Монтаж анкерной линии Delta Plus на мягкую кровлю
    • Монтаж анкерных линий на Алтае
    • Монтаж анкерных линий на буровые вышки
    • Монтаж анкерных линий на кровлях предприятия
    • Опорные анкерные устройства на доменных печах
    • Проектирование и монтаж двух линий на подкрановые пути
    • Проектирование, поставка и монтаж жёсткой анкерной линии Двутавр
    • Противовесная система безопасности для работы на высоте
    • Система безопасности для работы на автоцистернах
    • Система безопасности для работы на кровле в Уфе
    • Система безопасности на кровле с ПВХ мембраной
    • Система безопасности на кровлях Гардиан Ростов
    • Системы безопасности на базе противовесных вспомогательных конструкций
    • Системы безопасности на серии двускатных кровель
    • Стационарная анкерная линия на мягкой кровле
    • Стационарные системы безопасности на эстакадах в Башкирии
    • Анкерная линия на станции налива олеума
    • Анкерные линии на двускатной кровле
    • Анкерные линии на подкрановых путях Газпром Салават
    • Монтаж систем безопасноси на JTI Елец
    • Система безопасности на РУСХИМСЕТЬ
    • Анкерные линии на скатных кровлях
    • Монтаж анкерных устройств АИСТ на ЖК SKY HOUSE
    • Монтаж анкерных устройств для работы промышленных альпинистов
    • Разработка системы доступа и безопасной работы в павильоне
    • Монтаж систем безопасности Гардиан Ростов
    • Монтаж систем безопасности на Гардиан Рязань
    • Системы для Лукойл, Западная Сибирь
    • Анкерная линия High Safety Most для Renco-Kat
    • Анкерные линии на кран в Дубне
    • Система доступа на звёздах Кремля
  • Промышленный альпинизм
    • Замена стекла на Голден Гейт
    • Монтаж антенн на ТЭЦ-27
    • Монтаж компонентов сотовой связи
    • Монтаж стеклопакетов на ЖК «Садовые кварталы»
    • Вантовый мост в Санкт-Петербурге
    • Монтаж банерной сетки на ЗИЛ
    • Монтаж на ТЦ «Ривьера»
    • Шахта лифта в Шереметьево
  • Подъём грузов
    • Грузоподъёмная линия на вулкане
    • Подъём и монтаж объёмных букв на ЖК Менделеев
    • Подъём конструкций для ГК Лидер Групп
  • Полигоны
    • Монтаж учебно-тренировочного полигона для Росатом
    • Монтаж учебно-тренировочного полигона для ТехноАвиа
    • Учебно-тренировочный полигон в Аксу
    • Учебно-тренировочный полигон в Лисаковске
    • Учебно-тренировочный полигон в Павлодаре
    • Учебно-тренировочный полигон на заводе
    • Учебно-тренировочный полигон на предприятии
    • Учебно-тренировочный полигон в Шубарколь
Информация
  • Отраслевые решения
  • Нормативные документы
  • Производители
  • FAQ
Блог
Покупателю
  • Оформление заказа
  • Оплата и отгрузка
  • Доставка и самовывоз
  • Гарантия
Компания
  • Новости
  • Реквизиты компании
  • Сотрудники
  • Вакансии
  • Правовая информация
Контакты
    +7 (707) 240-67-89
    +7 (707) 240-67-89 WhatsApp, Telegram
    Email
    info@sizcontract.kz
    Адрес
    г. Алматы, Республика Казахстан, ул. Ухтомского, д.21
    Режим работы
    Пн - Пт: с 9:00 до 17:00
    СИЗКОНТРАКТ КАЗАХСТАН
    СИЗКОНТРАКТ РОССИЯ
    СИЗКОНТРАКТ КАЗАХСТАН
    СИЗКОНТРАКТ КАЗАХСТАН
    • Комплекты СИЗ для работы на высоте
      Комплекты СИЗ для работы на высоте
      • Комплекты для особоопасных условий
      • Комплекты для работы в ограниченных и замкнутых зонах
      • Комплекты для работы на столбах, антеннах, мачтах
      • Системы для работы в опорном пространстве
      • Системы канатного доступа
    • Анкерные устройства
      Анкерные устройства
      • Стационарные анкерные линии
      • Стационарные анкерные устройства
      • Переносные анкерные устройства
      • Аксессуары и компоненты к анкерным устройствам
      • Опорные конструкции
      • Компоненты стационарных систем
    • Привязи
      Привязи
      • Привязи страховочные, удерживающие, позиционирующие
      • Комплектующие и аксессуары
    • Стропы, амортизаторы, усы
      Стропы, амортизаторы, усы
      • Страховочные стропы, амортизаторы
      • Удерживающие и позиционирующие стропы
      • Усы самостраховки
    • Гибкие анкерные линии, канаты
      Гибкие анкерные линии, канаты
      • ГАЛ, СИЗ ползункового типа
      • Верёвки (канаты)
      • Протекторы и аксессуары
      • Телескопические штанги, комплектующие
    • Средства защиты втягивающего типа (инерционные блокирующие устройства)
      Средства защиты втягивающего типа (инерционные блокирующие устройства)
    • Страховочные, спусковые устройства, зажимы
      Страховочные, спусковые устройства, зажимы
      • Устройства для спуска, cтрахующие устройства
      • Аксессуары для зажимов
      • Вспомогательные зажимы, устройства для позиционирования
      • Страховочные устройства
    • Соединительные элементы
      Соединительные элементы
      • Карабины, соединительные элементы
      • Коннекторные (риггинговые) пластины
      • Вертлюги
      • Вспомогательные элементы, аксессуары
    • Средства для эвакуации и спасения
      Средства для эвакуации и спасения
      • Носилки, спасательные косынки, аксессуары
      • Эвакуационные устройства и комплекты
    • Средства для подъёма на опоры
      Средства для подъёма на опоры
      • Лазы, когти монтёрские
      • Специальные стропы для подъёма на опоры
    • Общие СИЗ
      Общие СИЗ
      • Защита головы
      • Защита органов зрения, лица
      • Защита органов слуха
      • Защита рук
      • Зашита кожи (ДСИЗ)
      • Защита органов дыхания
      • Одежда рабочая
      • Одежда рабочая утеплённая
    • Блоки, полиспасты
      Блоки, полиспасты
      • Блоки канатные
      • Фиксирующие блоки
      • Троллейные блоки
      • Полиспасты
    • Снаряжение для арбористики
      Снаряжение для арбористики
      • Дополнительное снаряжение и оборудование
      • Анкерные стропы
      • Средства подъёма и позиционирования
      • Арбопривязи и комплектующие
      • Гаффы
      • Грузовые устройства и стропы
    • Для верёвочных парков
      Для верёвочных парков
      • Эвакуационные устройства и комплекты
      • Компоненты троллеев
      • Канаты
      • Элементы креплений, устройства для линий жизни
      • Обвязки, самостраховки
    • Дополнительное снаряжение
      Дополнительное снаряжение
      • Шнуры, ленты
      • Аксессуары
      • Баулы, сумки
      • Лебёдки
      • Лестницы
      • Педали
      • Фонари
    • Защита от падения инструмента
      Защита от падения инструмента
    • Учебно-тренировочные полигоны
      Учебно-тренировочные полигоны
    • Средства коллективной защиты
      Средства коллективной защиты
    • Архив
      Архив
    Войти
    0 Сравнение
    0 Избранное
    0 Корзина
    СИЗКОНТРАКТ КАЗАХСТАН
    Войти
    0 Сравнение
    0 Избранное
    0 Корзина
    СИЗКОНТРАКТ КАЗАХСТАН
    Телефоны
    +7 (707) 240-67-89 WhatsApp, Telegram
    Email
    info@sizcontract.kz
    Адрес
    г. Алматы, Республика Казахстан, ул. Ухтомского, д.21
    Режим работы
    Пн - Пт: с 9:00 до 17:00
    0
    0
    0
    • Кабинет
    • 0 Сравнение
    • 0 Избранное
    • 0 Корзина
    • Бренды
    • Акции
    • Услуги
      • Услуги
      • Постпродажный сервис
        • Постпродажный сервис
        • Проверка СИЗ от падения с высоты
        • Напоминание о проверке СИЗ
      • Системы безопасности
        • Системы безопасности
        • Реализация систем безопасности
        • Реализация систем эвакуации и спасения
        • Оценка рисков на предприятии
      • Учебные полигоны
        • Учебные полигоны
        • Аренда учебно-тренировочного полигона
        • Проектирование и монтаж учебно-тренировочных полигонов
    • Компания
      • Компания
      • Новости
      • Реквизиты компании
      • Сотрудники
      • Вакансии
      • Правовая информация
    • Блог
    • Информация
      • Информация
      • Отраслевые решения
      • Нормативные документы
      • Производители
      • FAQ
    • Контакты
    +7 (707) 240-67-89 WhatsApp, Telegram
    • Телефоны
    • +7 (707) 240-67-89 WhatsApp, Telegram
    • info@sizcontract.kz
    • г. Алматы, Республика Казахстан, ул. Ухтомского, д.21
    • Пн - Пт: с 9:00 до 17:00
    Главная
    Каталог
    Архив
    Блок Тандем Промальп-50 | Krok
    Блок Тандем Промальп-50 | Krok
    Блок Тандем Промальп-50 | Krok
    Блок Тандем Промальп-50 | Krok
    Блок Тандем Промальп-50 | Krok
    Блок Тандем Промальп-50 | Krok
    Блок Тандем Промальп-50 | Krok
    Блок Тандем Промальп-50 | Krok
    Блок Тандем Промальп-50 | Krok
    Блок Тандем Промальп-50 | Krok
    Блок Тандем Промальп-50 | Krok
    Блок Тандем Промальп-50 | Krok
    Блок Тандем Промальп-50 | Krok
    Блок Тандем Промальп-50 | Krok
    Блок Тандем Промальп-50 | Krok
    Блок Тандем Промальп-50 | Krok
    Блок Тандем Промальп-50 | Krok
    Блок Тандем Промальп-50 | Krok
    Блок Тандем Промальп-50 | Krok
    Блок Тандем Промальп-50 | Krok
    Блок Тандем Промальп-50 | Krok
    Блок Тандем Промальп-50 | Krok
    Блок Тандем Промальп-50 | Krok
    Снято с продаж

    Блок Тандем Промальп-50 | Krok

    0
    Арт. krk 3203_4541.86
    По запросу
    По запросу
    Уточняйте
    Рассчитать доставку
    Данный товар снят с продажи или производства и расположен в архивной категории товаров. Техническая поддержка по данному товару по-прежнему осуществляется.
    Характеристики
    Код товара
    :
    3527
    Тип продукции
    ?
    Дополнительное категорирование типа продукции.
    :
    Тандем-блоки
    Диаметр каната, мм.
    :
    до 12
    Разрушающая нагрузка (MBL), kN
    ?
    Указывает минимальную разрушающую нагрузку, воздействие которой на элемент оборудования, может привести к его разрушению
    :
    40
    Все характеристики
    Описание
    Универсальный тандем от ТМ «КРОК» с увеличенным диаметром роликов и высоким КПД.
    Все описание
    По запросу
    Уточняйте
    Рассчитать доставку
    Данный товар снят с продажи или производства и расположен в архивной категории товаров. Техническая поддержка по данному товару по-прежнему осуществляется.
    Крок
    Все товары Крок
    Все товары категории
    Цена действительна только для интернет-магазина и может отличаться от цен в розничных магазинах
    • Описание
    • Отзывы
    • Характеристики
    • Оплата
    • Доставка
    • ОПТ
    Блок-ролик «Тандем ПРОМАЛЬП-50» — универсальный тандем от ТМ «КРОК» с увеличенным диаметром роликов и высоким КПД.

    Для устроителей тайпарков и аттракционов вертикальных развлечений служит самым оптимальным по соотношению цена-качество средством спуска по наклонным троллеям!

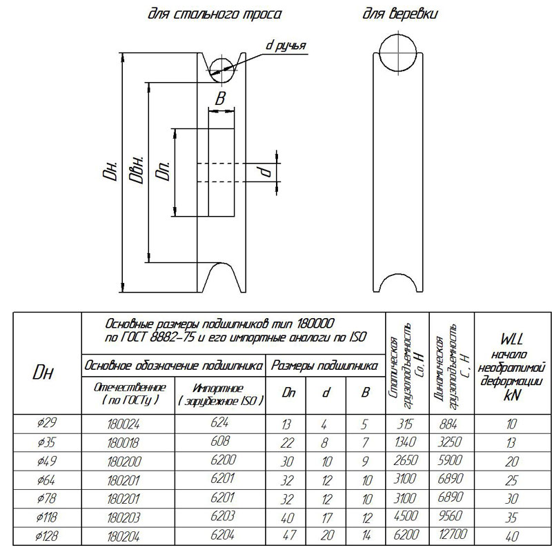
    Представляет собой сборный стальной блок с установленными в нём друг за другом тандемом роликами диаметром 37/49 мм на шариковых подшипниках закрытого типа.

    Особенности

    • При использовании в качестве блок-ролика для подъёма грузов или как компонент для полиспаста, увеличенный размер роликов резко увеличивает КПД.
    • Верхний проём между щёк блока, позволяет использовать его в виде рядного двойного блок-ролика в полиспастных системах.
    • При использовании в троллеях увеличенный диаметр роликов уменьшает тряску подвеса.
    • Три нижних точки присоединения увеличивают количество вариантов использования: с одним подвесом; с двумя разнесёнными подвесами; с одним подвесом и двумя растяжками; как такелажный накопитель.
    • Четвёртая верхняя точка присоединения позволяет присоединять дублирующий троллей.
    • Высокие контурные рожки профиля щёк тандема позволяют накидывать на них дублирующий карабин при спусках по троллею, чтобы тот не тёрся о направляющую троллея.
    • Наличие центрального отверстия позволяет присоединять или рукояти для удобства спускающихся по троллею, и (или) поперечные подвесы для страховочных ременных систем спускающихся.
    • Резьбовая фиксация роликов позволяет производить техобслуживание; замену подшипников; замену роликов.

    «Тандем ПРОМАЛЬП-50» предназначен для использования с текстильными или стальными канатами до 12 мм включительно.
    ВНИМАНИЕ! Для интенсивного использования тандем-кареток на стальных тросах, необходимо использовать ролики с диаметром ручья, не превышающим диаметр троса более чем на 1 мм.

    Характеристики

    • Предельная рабочая нагрузка WLL (Working Load Limit): 25 кН — начало деформации контура вспомогательных отверстий на щеках тандема
    • Разрушающая нагрузка MBS (Minimum Breaking Strength): 40 кН — разрушение присоединительных отверстий тандема
    • Вес тандема: 760 г
    Загрузка отзывов...
    0
    Характеристики товара
    Код товара
    3527
    Тип продукции
    ?
    Дополнительное категорирование типа продукции.
    Тандем-блоки
    Вес, гр.
    760
    Разрушающая нагрузка (MBL), kN
    ?
    Указывает минимальную разрушающую нагрузку, воздействие которой на элемент оборудования, может привести к его разрушению
    40
    Рабочая нагрузка (WLL), kN
    ?
    Working Load Limit: предельная рабочая нагрузка
    25
    Диаметр каната, мм.
    до 12
    Диаметр шкива, мм
    ?
    Диаметр ролика блока. Обычно двойное значение, определяющее диаметр центральной части шкива и боковых частей.
    37/49 мм
    Страна производства
    Россия
    Материал
    Сталь

    Оплачивайте покупки удобным способом. В интернет-магазине доступно 3 варианта оплаты:

    1. Наличные при самовывозе или доставке курьером. Специалист свяжется с вами в день доставки, чтобы уточнить время и заранее подготовить сдачу с любой купюры. Вы подписываете товаросопроводительные документы, вносите денежные средства, получаете товар и чек.
    2. Безналичный расчет при самовывозе или оформлении в интернет-магазине: карты МИР, Visa и MasterCard. Чтобы оплатить покупку, система перенаправит вас на сервер системы ASSIST. Здесь нужно ввести номер карты, срок действия и имя держателя.
    3. ЮMoney при онлайн-заказе. Для совершения покупки система перенаправит вас на страницу платежного сервиса. Здесь необходимо заполнить форму по инструкции.

    Экономьте время на получении заказа. В интернет-магазине доступно 4 варианта доставки:

    1. Курьерская доставка работает с 9.00 до 19.00. Когда товар поступит на склад, курьерская служба свяжется для уточнения деталей. Специалист предложит выбрать удобное время доставки и уточнит адрес. Осмотрите упаковку на целостность и соответствие указанной комплектации.
    2. Самовывоз из магазина. Список торговых точек для выбора появится в корзине. Когда заказ поступит на склад, вам придет уведомление. Для получения заказа обратитесь к сотруднику в кассовой зоне и назовите номер.
    3. Постамат. Когда заказ поступит на точку, на ваш телефон или e-mail придет уникальный код. Заказ нужно оплатить в терминале постамата. Срок хранения — 3 дня.
    4. Почтовая доставка через почту России. Когда заказ придет в отделение, на ваш адрес придет извещение о посылке. Перед оплатой вы можете оценить состояние коробки: вес, целостность. Вскрывать коробку самостоятельно вы можете только после оплаты заказа. Один заказ может содержать не больше 10 позиций и его стоимость не должна превышать 100 000 р.

    Аналоги

    Снято с продаж
    Быстрый просмотр
    Тандем-каретка Трио | Несъёмный | Krok Тандем-каретка Трио | Несъёмный | Krok Тандем-каретка Трио | Несъёмный | Krok Тандем-каретка Трио | Несъёмный | Krok
    По запросу
    Тандем-каретка Трио | Несъёмный | Krok
    0
    0
    Уточняйте
    Арт. krk 3205_42.162
    Снято с продаж
    Быстрый просмотр
    Тандем-каретка Трио | С ручками | Krok Тандем-каретка Трио | С ручками | Krok Тандем-каретка Трио | С ручками | Krok
    По запросу
    Тандем-каретка Трио | С ручками | Krok
    0
    0
    Уточняйте
    Арт. krk 3205_42.165
    Снято с продаж
    Быстрый просмотр
    Тандем-каретка Трио | Несъёмный, с ручками | Krok Тандем-каретка Трио | Несъёмный, с ручками | Krok Тандем-каретка Трио | Несъёмный, с ручками | Krok Тандем-каретка Трио | Несъёмный, с ручками | Krok
    По запросу
    Тандем-каретка Трио | Несъёмный, с ручками | Krok
    0
    0
    Уточняйте
    Арт. krk 3205_42.161
    Быстрый просмотр
    Блок-ролик с опорой Тандем-каретка | Orion-Alp Блок-ролик с опорой Тандем-каретка | Orion-Alp
    24 656 ₸/шт
    Блок-ролик с опорой Тандем-каретка | Orion-Alp
    0
    0
    Уточняйте
    Арт. оа 0610
    Быстрый просмотр
    Блок-ролик Тарзан | Orion-Alp
    39 226 ₸/шт
    Блок-ролик Тарзан | Orion-Alp
    5
    1
    Уточняйте
    Арт. оа 0603
    Быстрый просмотр
    Блок-ролик Маугли | Orion-Alp Блок-ролик Маугли | Orion-Alp
    32 304 ₸/шт
    Блок-ролик Маугли | Orion-Alp
    5
    3
    Уточняйте
    Арт. оа 0604
    Назад к списку
    Каталог
    Услуги
    Бренды
    Компания
    Новости
    Реквизиты компании
    Сотрудники
    Вакансии
    Правовая информация
    Контакты
    Информация
    Отраслевые решения
    Нормативные документы
    Производители
    FAQ
    Условия
    Оформление заказа
    Оплата и отгрузка
    Доставка и самовывоз
    Гарантия
    Связаться с нами
    +7 (707) 240-67-89
    +7 (707) 240-67-89 WhatsApp, Telegram
    Email
    info@sizcontract.kz
    Адрес
    г. Алматы, Республика Казахстан, ул. Ухтомского, д.21
    Режим работы
    Пн - Пт: с 9:00 до 17:00
    info@sizcontract.kz
    г. Алматы, Республика Казахстан, ул. Ухтомского, д.21
    Подписаться
    на новости и акции
    © 2026 СИЗКОНТРАКТ: средства индивидуальной защиты от падения с высоты.
    Главная Каталог 0 Корзина Кабинет Контакты Бренды Компания Поиск